|
 客户端仪器CL-6000i维护更换注射器,再执行系统诊断,发现样本针加样性能CV值偏高(正常CV<1.5%),继续做系统诊断发现试剂针加样性能CV值也比临界值偏高一点。


样本针系统重复性光计数偶发跳低现象,光计数偏低,CV值偏高。

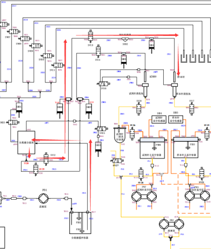
 分析:样本针试剂针系统重复性是通过游离酶D加底物进行反应再测光计数。因之前日常清洁、效应检测,底物检测与清洗液检测均正常,可以排除反应杯脏、底物与清洗液污染导致结果异常,因刚更换过注射器,根据现象分析可能存在:1、确认下注射器安装到位刻度为15格、无存在气泡、无漏液,连接三通无漏液,排除下偶发问题,再执行一次,结果CV值偏高,怀疑新注射器本身问题,更换上旧注射器,再执行一次,结果CV值与新注射器一样偏高,排除新注射器本身原因; 2、怀疑游离酶D存在污染情况,更换新的一瓶,故障依旧;3、怀疑管路接头漏液或结晶导致气密性不好,对应液路图进行排查各连接部件,管路正常无漏液无结晶; 4、观察仪器运行吸样时,发现样本针偶发针尖有挂水珠现象,怀疑样本针有问题,对调M1模块与M2模块的样本针,并清洁接头,确认样本针安装到位,无漏液,做液路灌注时,针尖清洗完,还是存在偶发挂水珠现象,排除样本针本身导致结果异常;5、疑样本针清洗位置不准导致真空吸不干,针尖偶发挂水珠,进而稀释游离酶D,导致光计数跳低现象,进行样本针的清洗池位置重新调试,发现样本针清洗池水平位置偏移,松开清洗池两侧的十字螺丝,进行样本针清洗池水平位置调试,确认假针与假杯对准,再执行一次,结果正常。
 这故障有点意外,因执行重新启用并维护时,基础性能验证均正常,隔几天,更换注射器后,重做系统诊断就失败,且5月份装机仪器较新,一下子很难找到原因,只能一步一步由浅入深排查问题,最后排查到故障点也联想起,正因为清洗池水平位置问题,在执行完日常清洁后做系统检测结果会偏好;也因为样本针加样重复性差问题,导致试剂针加样重复性偶发变差一点(试剂针的游离酶D是通过样本针加到反应杯再进行分杯测试),后续针对重新启用仪器需要跟进仪器使用情况,防止偶发故障出现。
|